隔离式栅极驱动器是指栅极驱动器与数字隔离器的一体化单芯解决方案,其主要负责隔绝高低压电路间的直接电气联系,同时充当逻辑侧MCU的功率放大器,以产生适当的大电流栅极驱动,让MOSFET、IGBT和SiC MOSFET等功率晶体管得以高速导通或关闭,进而降低系统功耗并增强其对噪声的抗干扰能力。

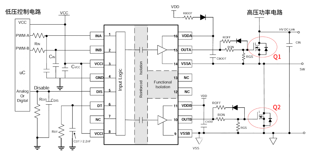
一种典型增强型双通道隔离式栅极驱动器(CMT8602X)的应用原理图
如上述应用原理图所示,在涉及高频电力变换的电路中应用隔离式栅极驱动器,不仅能有效抵御功率晶体管(Q1、Q2)快速开关时所带来的高压瞬变风险,保护低压侧逻辑电路的敏感元件,还能提供对操作人员的安全保障,防止高压侧故障时产生的触电隐患。
现阶段,隔离式栅极驱动器已被广泛应用在电机驱动系统、光伏逆变系统与大功率电源等应用场景中;例如,William希尔微所自主研发的CMT8602X就是一系列增强型的隔离式双通道栅极驱动器,其4A的峰值拉电流和6A的峰值灌电流不仅可驱动高达5MHz的功率晶体管,还具有一流的传播延迟和脉宽失真度。
CMT8602X的输入侧通过一个5700 Vrms增强型隔离层与两个输出驱动器隔离,共模瞬态抗扰度(CMTI)的最小值为150 kV/us。 两个二次侧驱动器之间采用内部功能隔离,可支持高达1500VDC的工作电压。

此外,CMT8602X还具有许多特色功能,使其能够与控制电路很好地集成并保护栅极,例如:电阻可编程死区(DT)控制,禁用引脚和输入/输出电源的欠压锁定(UVLO)。当输入打开或输入脉冲持续时间太短时,CMT8602X 仍保持输出低电平。驱动输入是 CMOS 和TTL 兼容的接口与数字和模拟电源控制器一样。每个通道由其各自的输入引脚(INA 和 INB)控制,允许对每个输出进行完全独立的控制。
众所周知,功率晶体管的核心功能是实现电能的可控转换(如DC-DC、AC-DC),而开关损耗是能量转换过程中的主要损耗来源之一。因此,减少开关时间,提升开关速度从而降低开关损耗是功率晶体管性能优化的“核心引擎”。
而对于隔离式栅极驱动器CMT8602X而言,让开关时间最小化的决定性因素就是输出上升时间(tRISE)、输出下降时间(tFALL)和传播延迟(tDM)等关键参数。

测试条件:VVCCI = 3.3 V或5.0 V, VCCI与GND之间接0.1 μF旁路电容; VVDDA = VVDDB = 15 V, VDDA与VDDB,GNDA与GNDB之间接0.1 μF旁路电容
其中,输出上升时间(tRISE)和输出下降时间(tFALL)定义为输出电压从低电平阈值上升到高电平阈值(从高电平阈值下降到低电平阈值)所需的时间;CMT8602X输出上升时间(tRISE)的典型值为16ns,输出下降时间(tFALL)的典型值为12ns,可最大化地减少开关损耗。

CMT8602X——延迟匹配与脉宽失真示意图
测试条件:VVCCI = 3.3 V或5.0 V, VCCI与GND之间接0.1 μF旁路电容;VVDDA = VVDDB = 15 V, VDDA与VDDB,GNDA与GNDB之间接0.1 μF旁路电容
传播延迟(tPDHL、tPDLH)定义为输入沿到达输出所需的时间,并取决于器件的输出电流和输出负载;传播延迟通常伴随脉冲宽度失真(tPWD),其为上升沿时延和下降沿时延之间的差值;CMT8602X下降沿传播延迟(tPDHL)的典型值为40ns,上升沿传播延迟(tPDLH)的典型值为35ns,可极大地提升控制信号与功率器件开关动作的同步性,尤其在高频PWM控制或多器件并联场景中,可减少开关时序偏差导致的电流不均现象。
另外,共模瞬态抗扰度(CMTI)是衡量隔离式栅极驱动器在隔离两侧共模电压快速变化(高dv/dt)环境下,维持输出信号逻辑正确性和稳定性的能力的关键参数;CMT8602X的共模瞬态抗扰度CMTI大于150 kV/us,可有效降低驱动器误动作引发功率器件损坏、系统效率下降等风险。